X
快速聯絡
諮詢專線:
線上諮詢:
或由專員為您服務,請留下
快速
聯絡

諾貝爾大廈 羅東高中旁

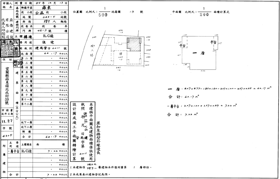
宜蘭縣羅東鎮樹人路46之3號1樓

  • Uhomes
  • Uhomes
  • Uhomes
  • Uhomes
  • Uhomes
  • Uhomes
  • Uhomes
  • Uhomes
  • Uhomes
  • Uhomes
  • Uhomes
  • Uhomes
  • 相片
  • 地圖
  • 建物平面圖
  • 法院拍賣公告
公告底價
438.5萬
開標結果
拍定463.6萬
  • 公告坪數
    31.81
  • 每坪單價
    13.78

    每坪單價以法院公告坪數概算,詳細拆算方式請洽專員。

  • 開 標 日
    2024/04/24 10:00
  • 拍  次
    3拍
  • 點交情形
    點交
  • 保 證 金
    87.7萬
聯 絡 人
林協理
調整字級

物件資料
公 告 坪 數
31.81
主 建 坪 數
18.80
附 屬 坪 數
2.18
公 設 坪 數
6.45
其 他 坪 數
增 建 坪 數
4.38
土 地 坪 數
5.49
車 位 坪 數
車 位 屬 性
-
捷 運/火 車
房 屋 類 型
華廈
結   構
RC
屋   齡
28
樓 層 別
1/7
房 屋 用 途
住家用
會員資訊

請登入會員查看

公告資料
拍 賣 地 點
臺灣宜蘭地方法院
案   號
112年度司執字第6260號乙標
拍 賣 範 圍
全部
拍 賣 原 因
求償債務
抵 押 權
抵押權拍定後塗銷
筆   錄
點交否:部分點交、部分不點交

使用情形
一、本件查封物應分別列價,合併拍賣,總價並應達到底價,以總價最高者得標。
二、抵押權登記拍定後塗銷。
三、本件標的於民國109年4月1日假扣押查封時,由移送機關代理人導往現場,據46-5號住戶陳稱:債務人未住於此,房子租給別人。嗣經本院於112年度5月26日履勘時,由債權人代理人導往現場,經羅東地政事務所人員到場協助指界及測量增建,建物會同鎖匠及警員開門進入,係為無人居住之空屋。土地經地政指界為建物等大樓坐落之基地。大樓總幹事表示建物已無人居住,亦無出租,該屋配有車位,但機械車位已損壞未維修,可抽平面車位六位。地政人員表示進門玄關鞋櫃處為公設,不算增建,廚房旁放置洗衣機等陽台處為增建。經現場調查,依肉眼觀察,無嚴重漏水之情事。當場向在場人大樓總幹事詢問有無其他影響交易之特殊情事,其稱均無。經會同到場協助員警詢問附近住戶,鄰人亦稱無其他影響交易之特殊情事。本件經現場調查所得:建物並無海砂屋、輻射屋、地震受創、火災受損,及建物內並無非自然死亡或其他足以影響交易之特殊情事,惟法院資源有限,調查難以盡善盡美,請有意投標之人再次自行查明。本件土地僅拍賣債務人之應有部分,於拍定後不點交。建物係無人居住之空屋,於拍定後依現況點交。
四、本標之土地無三七五租約之約定,且位於都市計劃區域內,編定為住宅區。
五、本標內暫編3004號之建物,係未辦理建築物所有權第一次登記之不動產,拍定後拍定人不能持權利移轉證書辦理所有權移轉登記,亦不得以面積不符,請求減少價金,或撤銷拍定;且若該建物經建築主管機關認定為違章建築,拍定人應自行承擔受拆除之危險。與主建物2156建號內部相通,且無獨立出口,為抵押權效力所及。
內容展開

本物件資訊如有遺漏,以法院公告為準。

地圖
公 告 底 價
438.5
開 標 結 果
拍定463.6萬
  • 公告坪數
    31.81
  • 每坪單價
    13.78

    每坪單價以法院公告坪數概算,詳細拆算方式請洽專員。

  • 開 標 日
    2024/04/24 10:00
  • 拍  次
    3拍
  • 點交情形
    點交
  • 保 證 金
    87.7萬
聯 絡 人
林協理

留 言