X
快速聯絡
諮詢專線:
線上諮詢:
或由專員為您服務,請留下
快速
聯絡

捷運新埔站 中山公園美廈

新北市板橋區萬板路80號2樓

  • Uhomes
  • Uhomes
  • Uhomes
  • Uhomes
  • Uhomes
  • Uhomes
  • Uhomes
  • Uhomes
  • Uhomes
  • Uhomes
  • Uhomes
  • Uhomes
  • 相片
  • 地圖
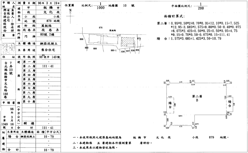
  • 建物平面圖
  • 法院拍賣公告
公告底價
2260萬
開標結果
拍定2425萬
  • 公告坪數
    50.35
  • 每坪單價
    44.88

    每坪單價以法院公告坪數概算,詳細拆算方式請洽專員。

  • 開 標 日
    2024/03/13 10:30
  • 拍  次
    2拍
  • 點交情形
    詳見公告
  • 保 證 金
    452萬
聯 絡 人
張先生
調整字級

物件資料
公 告 坪 數
50.35
主 建 坪 數
33.70
附 屬 坪 數
3.26
公 設 坪 數
13.39
其 他 坪 數
增 建 坪 數
土 地 坪 數
18.53
車 位 坪 數
車 位 屬 性
-
捷 運/火 車
新埔站
房 屋 類 型
華廈
結   構
RC
屋   齡
17
樓 層 別
2/5
房 屋 用 途
住家用
會員資訊

請登入會員查看

公告資料
拍 賣 地 點
金融拍賣中心
案   號
112板金職七字第471號
拍 賣 範 圍
全部
拍 賣 原 因
清償借款
抵 押 權
抵押權拍定後塗銷
筆   錄
使用情形
一、本件租賃關係經法院以執行命令終止租賃關係(該執行命令尚未確定),如於拍定前無人異議或異議經駁回確定則點交,否則不點交。
(一)本件係調假扣押卷執行,於現場押查封時,在場人戴先生表示:有向債務人承租其中一房間。
(二)經法院囑請新北市政府警察局海山分局派員查明使用情形,該分局函覆:部分房間出租予戴先生,租期自111年6月16日至116年6月15日,每月租金8,000元,有住宅租賃契約書、民間公證人公證書。
二、另依鑑價報告所載,本件標的經初步調查無海砂屋、輻射屋、地震受創、火災受損或非自然死亡等情形,惟若有因調查限度難以查明,致與鑑價報告內容所載容有出入者,請投標人逕向相關單位洽詢查明,綜合考量相關風險再行投標。
內容展開

本物件資訊如有遺漏,以法院公告為準。

地圖
公 告 底 價
2260
開 標 結 果
拍定2425萬
  • 公告坪數
    50.35
  • 每坪單價
    44.88

    每坪單價以法院公告坪數概算,詳細拆算方式請洽專員。

  • 開 標 日
    2024/03/13 10:30
  • 拍  次
    2拍
  • 點交情形
    詳見公告
  • 保 證 金
    452萬
聯 絡 人
張先生

留 言