X
快速聯絡
諮詢專線:
線上諮詢:
或由專員為您服務,請留下
快速
聯絡

龍岡游泳路超值美廈

桃園市平鎮區游泳路153巷10弄10號4樓

  • Uhomes
  • Uhomes
  • Uhomes
  • Uhomes
  • Uhomes
  • Uhomes
  • Uhomes
  • Uhomes
  • Uhomes
  • Uhomes
  • Uhomes
  • Uhomes
  • 相片
  • 地圖
  • 建物平面圖
  • 法院拍賣公告
公告底價
288萬
開標結果
拍定336.1萬
  • 公告坪數
    27.94
  • 每坪單價
    10.30

    每坪單價以法院公告坪數概算,詳細拆算方式請洽專員。

  • 開 標 日
    2023/01/17 10:30
  • 拍  次
    2拍
  • 點交情形
    點交
  • 保 證 金
    57.6萬
聯 絡 人
徐專員
調整字級

物件資料
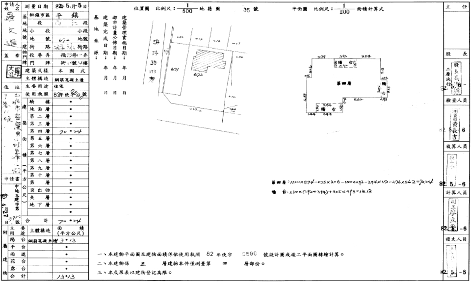
公 告 坪 數
27.94
主 建 坪 數
21.24
附 屬 坪 數
3.97
公 設 坪 數
2.73
其 他 坪 數
增 建 坪 數
土 地 坪 數
7.00
車 位 坪 數
車 位 屬 性
-
捷 運/火 車
房 屋 類 型
華廈
結   構
RC
屋   齡
30
樓 層 別
4/5
房 屋 用 途
住家用
會員資訊

請登入會員查看

公告資料
拍 賣 地 點
臺灣桃園地方法院
案   號
110年度司執字第114116號
拍 賣 範 圍
全部
拍 賣 原 因
清償債務
抵 押 權
抵押權拍定後塗銷
筆   錄
使用情形
一、履勘時標的建物,債務人不在場,無人應門,會同員警與鎖匠入內查看,屋內遺留少數大型傢俱,未見日用品,且有灰塵,疑似無人居住,目視屋況大致尚可。債權人代理人另稱此屋應無車位,鑑定報告載本件標的周遭嫌惡設施為死巷,本件標的建物拍定後依現況點交。
二、另會同地政人員指界稱671地號同為第860建號建物之建築基地,部分為建物坐落,部分為建物前方中庭,應併同移轉,共有人無優先承買權,且因係應有部分,拍定後不點交。

本件使用分區為中壢(龍岡地區)都市計劃(民國72年9月13日)住宅區,上開計畫案中土地使用分區管制之規定及開發限制請應買人自行洽桃園市政府都市發展局等相關機關詢問,俾決定是否應買,拍定後不得以此為理由請求撤銷拍定。

據桃園市政府建築管理處函覆第671地號土地(重測前為社子段139-15地號)土地領有本府核發(81)桃縣工建執照字第00044號建造執照及(82)桃縣工建使字第00590號使用執照,請投標人注意並自行查明有無其他使用上之限制,俾決定是否應買,拍定後不得以此為理由請求撤銷拍定。
內容展開

本物件資訊如有遺漏,以法院公告為準。

地圖
公 告 底 價
288
開 標 結 果
拍定336.1萬
  • 公告坪數
    27.94
  • 每坪單價
    10.30

    每坪單價以法院公告坪數概算,詳細拆算方式請洽專員。

  • 開 標 日
    2023/01/17 10:30
  • 拍  次
    2拍
  • 點交情形
    點交
  • 保 證 金
    57.6萬
聯 絡 人
徐專員

留 言