X
快速聯絡
諮詢專線:
線上諮詢:
或由專員為您服務,請留下
快速
聯絡

台北小巨蛋站 吉慶名人大廈

台北市松山區南京東路四段143號9樓之1

  • Uhomes
  • Uhomes
  • Uhomes
  • Uhomes
  • Uhomes
  • Uhomes
  • Uhomes
  • Uhomes
  • Uhomes
  • Uhomes
  • Uhomes
  • Uhomes
  • 相片
  • 地圖
  • 建物平面圖
  • 法院拍賣公告
公告底價
2404萬
開標結果
停拍清償
  • 公告坪數
    39.08
  • 每坪單價
    61.51

    每坪單價以法院公告坪數概算,詳細拆算方式請洽專員。

  • 開 標 日
    2022/08/16 09:30
  • 拍  次
    3拍
  • 點交情形
    點交
  • 保 證 金
    481萬
聯 絡 人
陳專員
調整字級

物件資料
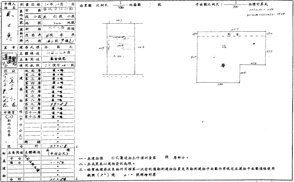
公 告 坪 數
39.08
主 建 坪 數
30.12
附 屬 坪 數
3.49
公 設 坪 數
5.47
其 他 坪 數
增 建 坪 數
土 地 坪 數
3.91
車 位 坪 數
車 位 屬 性
-
捷 運/火 車
台北小巨蛋站
房 屋 類 型
電梯大樓
結   構
RC
屋   齡
39
樓 層 別
9/12
房 屋 用 途
5.47
會員資訊

請登入會員查看

公告資料
拍 賣 地 點
臺灣臺北地方法院
案   號
110年度司執字第107574號
拍 賣 範 圍
全部
拍 賣 原 因
給付票款
抵 押 權
抵押權拍定後塗銷
筆   錄
點交否:點交

使用情形
本件拍賣標的2070建號據債務人胡0銘在場稱,現由其與父、妹同住於此,故本件拍定後點交,屋內牆壁有部分壁癌及龜裂,陽台有部分漏水之情形,並無發生非自然死亡、火災受損、輻射屋、海砂屋、地震受創之紀錄,請應買人注意。
內容展開

本物件資訊如有遺漏,以法院公告為準。

地圖
公 告 底 價
2404
開 標 結 果
停拍清償
  • 公告坪數
    39.08
  • 每坪單價
    61.51

    每坪單價以法院公告坪數概算,詳細拆算方式請洽專員。

  • 開 標 日
    2022/08/16 09:30
  • 拍  次
    3拍
  • 點交情形
    點交
  • 保 證 金
    481萬
聯 絡 人
陳專員

留 言