X
快速聯絡
諮詢專線:
線上諮詢:
或由專員為您服務,請留下
快速
聯絡

竹圍高中百坪電梯豪邸別墅

新北市淡水區中正東路二段143巷8弄7號

  • Uhomes
  • Uhomes
  • Uhomes
  • Uhomes
  • Uhomes
  • Uhomes
  • Uhomes
  • Uhomes
  • Uhomes
  • Uhomes
  • Uhomes
  • Uhomes
  • 相片
  • 地圖
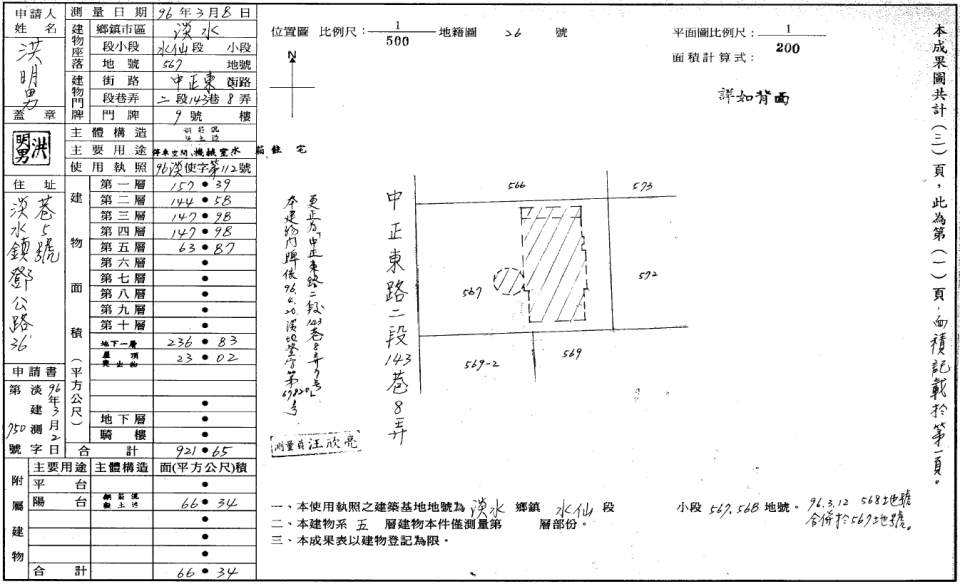
  • 建物平面圖
  • 法院拍賣公告
公告底價
7452萬
開標結果
拍定7458.9萬
  • 公告坪數
    298.84
  • 每坪單價
    24.93

    每坪單價以法院公告坪數概算,詳細拆算方式請洽專員。

  • 開 標 日
    2022/05/19 14:30
  • 拍  次
    3拍
  • 點交情形
    點交
  • 保 證 金
    1491萬
聯 絡 人
陳先生
調整字級

物件資料
公 告 坪 數
298.84
主 建 坪 數
207.14
附 屬 坪 數
20.06
公 設 坪 數
其 他 坪 數
地下一層:71.64
增 建 坪 數
土 地 坪 數
177.52
車 位 坪 數
車 位 屬 性
車庫
捷 運/火 車
房 屋 類 型
透天厝
結   構
RC
屋   齡
15
樓 層 別
全棟/5
房 屋 用 途
住宅、水箱、機械室、停車空間
會員資訊

請登入會員查看

公告資料
拍 賣 地 點
臺灣士林地方法院
案   號
110年度司執字第67421號
拍 賣 範 圍
全部
拍 賣 原 因
拍賣抵押物
抵 押 權
抵押權拍定後塗銷
筆   錄
點交否:點交
使用情形 ㈠1435建號建物拍定後點交。
㈡民國110年4月23日現場查封時,債務人在場表示1435建號建物由其自行居住使用,並無出租或出借他人,惟目前並未居住此處,現場所有樓層均做倉庫使用,建物地下1樓係停車位等語。同年12月13日現場執行時,第三人林○強(承租人黃○澤之受僱人)在場表示係基於租賃關係居住使用,出租人為債務人,租期自110年2月25日起至125年2月24日止,租金每月新臺幣2萬元,5樓曬衣場有些滲水情形等語。惟現在實際情形如何,仍請應買人自行查明注意。
㈢因租約係訂立於本件查封日(110年2月24日)之後,不得對抗債權人,故1435建號建物拍定後點交。
內容展開

本物件資訊如有遺漏,以法院公告為準。

地圖
公 告 底 價
7452
開 標 結 果
拍定7458.9萬
  • 公告坪數
    298.84
  • 每坪單價
    24.93

    每坪單價以法院公告坪數概算,詳細拆算方式請洽專員。

  • 開 標 日
    2022/05/19 14:30
  • 拍  次
    3拍
  • 點交情形
    點交
  • 保 證 金
    1491萬
聯 絡 人
陳先生

留 言