X
快速聯絡
諮詢專線:
線上諮詢:
或由專員為您服務,請留下
快速
聯絡

【限原民身分】南澳國小透天

宜蘭縣南澳鄉中正路10巷17之1號

  • Uhomes
  • Uhomes
  • Uhomes
  • Uhomes
  • 相片
  • 地圖
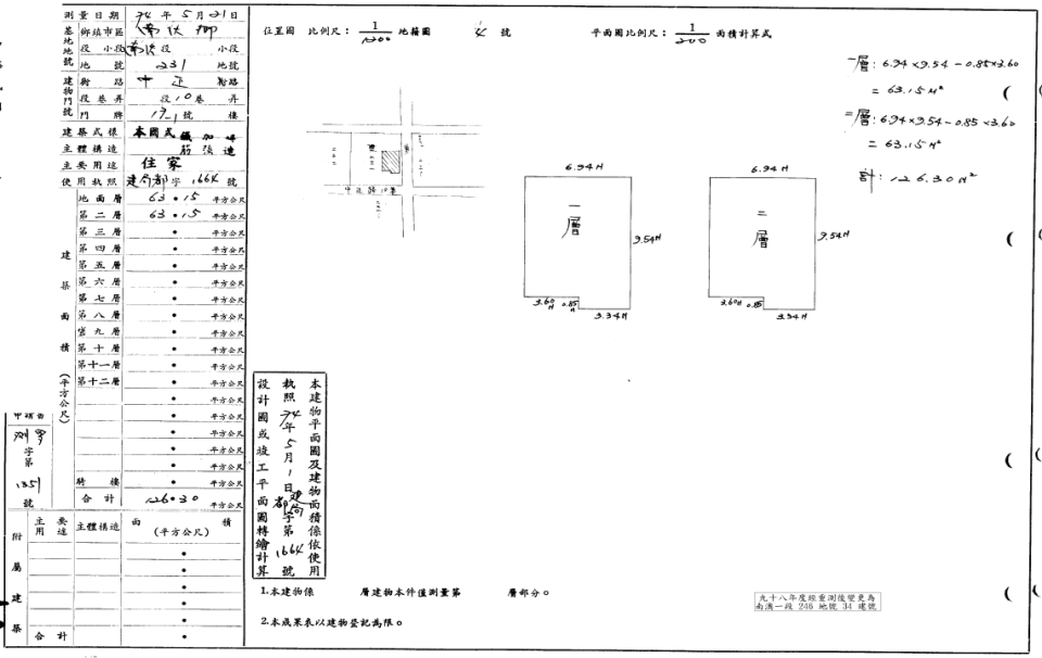
  • 建物平面圖
  • 法院拍賣公告
公告底價
280萬
開標結果
待標中
  • 公告坪數
    72.17
  • 每坪單價
    3.87

    每坪單價以法院公告坪數概算,詳細拆算方式請洽專員。

  • 開 標 日
    2026/03/31 10:00
  • 拍  次
    1拍
  • 點交情形
    點交
  • 保 證 金
    56萬
聯 絡 人
吳經理
調整字級

物件資料
公 告 坪 數
72.17
主 建 坪 數
38.20
附 屬 坪 數
公 設 坪 數
其 他 坪 數
增 建 坪 數
33.97
土 地 坪 數
54.99
車 位 坪 數
車 位 屬 性
-
捷 運/火 車
房 屋 類 型
透天厝
結   構
鐵筋加強磚造
屋   齡
41
樓 層 別
全棟/2
房 屋 用 途
住家用
會員資訊

請登入會員查看

公告資料
拍 賣 地 點
臺灣宜蘭地方法院
案   號
114年度司執字第10883號
拍 賣 範 圍
全部
拍 賣 原 因
求償債務
抵 押 權
抵押權拍定後塗銷
筆   錄
點交否:點交
使用情形
一、本標不動產查封時由債務人自住,房屋有俗稱壁癌現象。拍定後點交。
二、抵押權拍定後塗銷。
三、本標內暫編281建號之建物,係未辦理建築物所有權第一次登記之不動產,拍定後拍定人不能持權利移轉證書辦理所有權移轉登記,亦不得以面積不符,請求減少價金,或撤銷拍定;且若該建物經建築主管機關認定為違章建築,拍定人應自行承擔受拆除之危險。與主建物建號內部相通,且無獨立出口,為抵押權效力所及。
四、本標之投標人應具有原住民身分始得應買,投標人於投標時應於投標單內併附原住民資格文件。
備註
一、上開不動產3宗合併拍賣,請投標人分別出價。
二、拍賣最低價額合計新台幣:2,800,000元,以總價最高者得標。
三、保證金新台幣:560,000元。
內容展開

本物件資訊如有遺漏,以法院公告為準。

地圖
公 告 底 價
280
開 標 結 果
待標中
  • 公告坪數
    72.17
  • 每坪單價
    3.87

    每坪單價以法院公告坪數概算,詳細拆算方式請洽專員。

  • 開 標 日
    2026/03/31 10:00
  • 拍  次
    1拍
  • 點交情形
    點交
  • 保 證 金
    56萬
聯 絡 人
吳經理

留 言