X
快速聯絡
諮詢專線:
線上諮詢:
或由專員為您服務,請留下
快速
聯絡

萬里中華商海 愛一街透天~

新北市萬里區愛一街7號

  • Uhomes
  • Uhomes
  • Uhomes
  • Uhomes
  • Uhomes
  • Uhomes
  • Uhomes
  • Uhomes
  • Uhomes
  • Uhomes
  • Uhomes
  • Uhomes
  • 相片
  • 地圖
  • 建物平面圖
  • 法院拍賣公告
公告底價
720萬
開標結果
待標中
  • 公告坪數
    89.22
  • 每坪單價
    8.06

    每坪單價以法院公告坪數概算,詳細拆算方式請洽專員。

  • 開 標 日
    2026/04/07 10:30
  • 拍  次
    2拍
  • 點交情形
    點交
  • 保 證 金
    144萬
聯 絡 人
吳經理
調整字級

物件資料
公 告 坪 數
89.22
主 建 坪 數
54.25
附 屬 坪 數
15.77
公 設 坪 數
其 他 坪 數
增 建 坪 數
19.20
土 地 坪 數
52.97
車 位 坪 數
車 位 屬 性
車庫
捷 運/火 車
房 屋 類 型
透天厝
結   構
RC
屋   齡
46
樓 層 別
全棟/2
房 屋 用 途
住家用
會員資訊

請登入會員查看

公告資料
拍 賣 地 點
基隆行政執行官辦公室
案   號
108年度助執專字第653號
拍 賣 範 圍
全部
拍 賣 原 因
行政執行法
抵 押 權
無抵押權設定
筆   錄
點交情形
拍定後,均依拍賣標的現狀點交,惟點交費用由拍定人自理。
使用情形
一、本件係借調基隆地方法院 105 年度司執全助第 180 號假扣押案件併案執行。
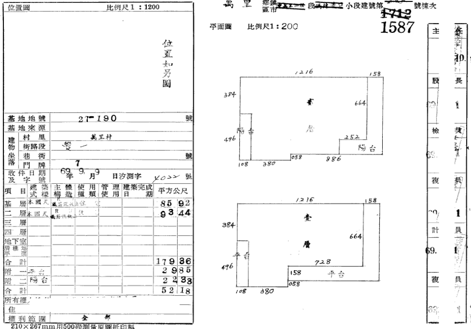
二、本件執行標的經臺灣臺北地方檢察署 105 年 10 月 26 日北檢泰必 105 年聲扣字第 79338 號函辦理禁止登記,並經最高法院 112 年度台上字第 3060 號刑事判決沒收確定,經臺灣臺北地方檢察署 114 年 8 月 25 日函文略以,本署 112 年度執沒字第 17 號恩企實業有限公司所有之新北市萬里區北基段 647 地號、1587 建號及同段 2721 建號不動產,得進行變價程序。
三、不動產現況如下,供投標人參考,其最確切之現況,仍請投標人自行查明注意:
(一)依基隆地方法院 105 年 12 月 19 日查封筆錄記載,執行標的為 2 層半磚造房屋,執行時未會晤債務人,將封條貼於門口。
(二)依本分署 108 年 11 月 22 日勘驗筆錄記載,移送機關代理人導至現場,標的物為 3 層樓獨棟建物,與謄本不符,顯有增建,本件門鈴已毀損。
(三)復依本分署 108 年 12 月 30 日勘測筆錄記載,移送機關代理人引導至現場,義務人經通知未到場,由地政事務所派測量員到場測量,說明該房屋標示 3 樓為增建。標的物現無人使用,屋內留有家具、家電物品,屋內漏水嚴重。
(四)另新北市政府違章建築拆除大隊 109 年 2 月 17 日函文略以,拍賣標的違章建築處理情形標記載,違建現況為垂直增建違章建築,違建位置為屋頂,係既存違章建築,處理情形為拍照建檔列管。
(五)又依 109 年 3 月 19 日(本分署收文日)鑑價報告所載,勘估標的為本國式鋼筋混擬土造 2 層樓整棟及增建物。本案建物位於北基花園新城為山坡地住宅,座落地勢平緩,為連棟双併設計,近萬里國小及萬里市場,生活機能及交通便利性尚可,勘估標目前閒置中,其陽台及平台屋頂油漆有嚴重剝落現象。
(六)另依本分署 114 年 11 月 17 日勘驗(指界)筆錄記載,移送機關代理人導至現場,義務人經通知未到場,現場無人居住,大門深鎖,由移送機關聯繫鎖匠,警員在場,鎖匠幾番嘗試表示鎖已鏽蝕,無法開啟,由移送機關代理人同意換鎖,大門進入後,雜草蔓延屋前至屋側空地,房屋大門鎖亦鏽蝕無法開啟,由鎖匠將門鎖撬開入內。地政人員測量 2 樓頂樓增建後表示與前次測量相同,沒有新增建。房屋現況無人居住,屋內僅少量家具及垃圾,牆面、天花板油漆部分剝落。
(七)再依 114 年 12 月 23 日(本分署收文日)鑑價報告所載,勘估標的距離中華商業海事職業學校 500 公尺以內,距離萬里公有市場 1000-2000 公尺內,距離萬里觀光公園 1000-2000 公尺內。
四、拍賣之不動產無他項權利設定。
五、本件土地據 109 年 3 月 19 日(本分署收文日)鑑價報告所載,勘估標的土地使用分區 647 地號為鄉村區乙種建築用地。
備註
這份排版已針對 Word 貼上進行優化,移除了 Markdown 符號並調整行距,您可以直接全選複製。
________________________________________
一、本件拍賣應達底價,以出價最高者得標。
二、上開不動產分別標價,合併拍賣,拍賣最低價額新臺幣 720 萬元,保證金 144 萬元,以總價最高且達底價者得標。
三、本件拍賣之暫編 2721 建號為未辦保存登記之建物,拍定後無法逕持不動產權利移轉證書辦理所有權移轉登記,此部分法律關係由拍定人自理。本件拍賣以建物現況拍賣,當事人及拍定人均不得以面積不符,請求增減價金,或撤銷拍定。且該建物若經建築主管機關認定係屬違章,買受人應自行承受拆除之危險。
四、本件拍賣之建物經向相關機關查詢,其未有足以影響交易之特殊情事,惟實際情形如何,仍請投標人注意。另依強制執行法第 69 條之規定,拍賣物買受人就物之瑕疵本無擔保請求權,不得於拍定後據此請求撤銷拍定;本件拍賣物有無物之瑕疵,應買人仍應自行查明、確認始為投標,請應買人注意。
五、屋內動產並不在拍賣範圍內,如拍定後義務人尚遺留有價值之遺留物在現場,本分署尚須依強制執行法第 100 條之規定命拍定人保管遺留物、拍照、造具遺留物清冊陳報本分署、限期債務人領回、鑑價、詢價、拍賣等,請應買人注意。
六、請投標人自行查明拍賣標的物是否尚有未繳納之工程受益費、差額地價、水電、瓦斯及農地重劃工程費用等,應由拍定人自行查明後與相關單位協商解決。
七、拍賣之土地如於查封後經地政機關實施重測,其面積應以重測結果為準,拍定後之債權人、義務人、拍定人或其他關係人均不得以面積增減請求增減價金或聲請撤銷拍賣。
八、若有停止、撤回、撤銷、延緩強制執行之事由,而其事由確實發生於本項執行標的拍定日或拍定日前,縱已拍定,本分署亦得撤銷拍定,無息返還已經繳納之款項,應買人、拍定人、債權人、義務人均不得異議,不同意之應買人請勿參與本件標的之應買。
內容展開

本物件資訊如有遺漏,以法院公告為準。

地圖
公 告 底 價
720
開 標 結 果
待標中
  • 公告坪數
    89.22
  • 每坪單價
    8.06

    每坪單價以法院公告坪數概算,詳細拆算方式請洽專員。

  • 開 標 日
    2026/04/07 10:30
  • 拍  次
    2拍
  • 點交情形
    點交
  • 保 證 金
    144萬
聯 絡 人
吳經理

留 言