X
快速聯絡
諮詢專線:
線上諮詢:
或由專員為您服務,請留下
快速
聯絡

AI智慧園區 勝利國中電梯住辦~

新竹縣竹北市十興路一段221號(未保存)

  • Uhomes
  • Uhomes
  • Uhomes
  • Uhomes
  • Uhomes
  • Uhomes
  • Uhomes
  • Uhomes
  • Uhomes
  • Uhomes
  • Uhomes
  • Uhomes
  • 相片
  • 地圖
  • 建物平面圖
  • 法院拍賣公告
公告底價
2816萬
開標結果
拍定3666.7萬
  • 公告坪數
    129.16
  • 每坪單價
    21.80

    每坪單價以法院公告坪數概算,詳細拆算方式請洽專員。

  • 開 標 日
    2026/01/08 09:30
  • 拍  次
    3拍
  • 點交情形
    不點交
  • 保 證 金
    563.2萬
聯 絡 人
丘先生
調整字級

物件資料
公 告 坪 數
129.16
主 建 坪 數
附 屬 坪 數
公 設 坪 數
其 他 坪 數
增 建 坪 數
129.16
土 地 坪 數
40.27
車 位 坪 數
車 位 屬 性
-
捷 運/火 車
高鐵新竹車站 / 台鐵六家車站
房 屋 類 型
其他
結   構
RC
屋   齡
0
樓 層 別
全棟/4
房 屋 用 途
住家用
會員資訊

請登入會員查看

公告資料
拍 賣 地 點
臺灣新竹地方法院
案   號
114年度司執字第7468號
拍 賣 範 圍
全部
拍 賣 原 因
變價分割共有物
抵 押 權
無抵押權設定
筆   錄
點交否:不點交

使用情形
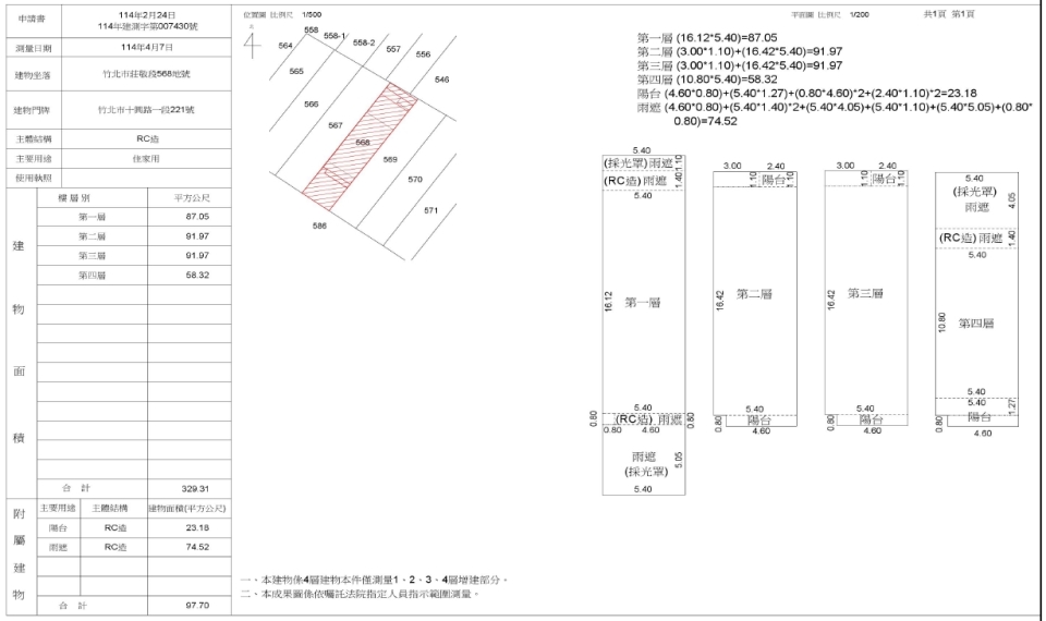
一、114.4.7現場查封時,依地政人員所指,568號土地即為本件未保登建物之基地,據債權人稱,建物由債權人、債務人共同使用,室內有電梯(6人、450公斤),有部分壁癌等語。未保登建物會測如暫編7781建號所示。債權人具狀稱,本件標的由共有人輪流分管等語。
二、應買人應自行注意查證土地實際範圍及使用現況,本處不負責鑑界或複丈,亦不代為處理通行權限、占有使用關係事宜,拍定後拍定人不得以土地現況與公告所載不符,請求撤銷拍定或減少價金。
三、因債務人係基於分管約定而占有,拍定後不點交。

備註
一、上開不動產2宗合併拍賣,請投標人分別出價。
二、拍賣最低價額合計新台幣:28,160,000元,以總價最高者得標。
三、保證金新台幣:5,632,000元。
四、無抵押權設定。
五、優先承買:本件債權人、債務人即全體共有人均得參與投標,若買受人非共有人,共有人有依相同條件優先承買之權,有二人以上願優先承買者,以執行法院抽籤定之。
六、暫編7781建號建物係未辦保存登記,面積以實測為準,拍定人無法持本院核發之權利移轉證書辦理增建部份之所有權保存登記,並需承擔被拆除之風險,且不得以面積不符,請求減少價金或撤銷應買,請應買人注意。
七、本院已儘量將調查所得之輻射屋、海砂屋、地震受創、嚴重漏水、火災受損、屋內有非自然死亡或其他足以影響交易之特殊情事等項,於使用情形欄載明,如未特別載明,即表示依現場調查,未發現有上開情事。惟鑑於司法資源有限,縱經本院以通常方式調查,仍難保證絕無上情,此部分請投標人斟酌,於應買或投標前應自行查證,拍定後不得以此為由,主張撤銷拍定或減少價金。
內容展開

本物件資訊如有遺漏,以法院公告為準。

地圖
公 告 底 價
2816
開 標 結 果
拍定3666.7萬
  • 公告坪數
    129.16
  • 每坪單價
    21.80

    每坪單價以法院公告坪數概算,詳細拆算方式請洽專員。

  • 開 標 日
    2026/01/08 09:30
  • 拍  次
    3拍
  • 點交情形
    不點交
  • 保 證 金
    563.2萬
聯 絡 人
丘先生

留 言